Запчасти для Kubota KX101-3a / Kubota KX101-3a parts
 Перечень запчастей для мини экскаватора Kubota KX101-3a, KX101-3a2, KX101-3a3
Kubota KX101-3a, KX101-3a2, KX101-3a3 parts list
в разделе представлен перечень деталей для мини экскаваторов KX101-3a, KX101-3a2, KX101-3a3 - Блок двигателя
- Поддон
- Головка блока цилиндров
- Передняя крышка
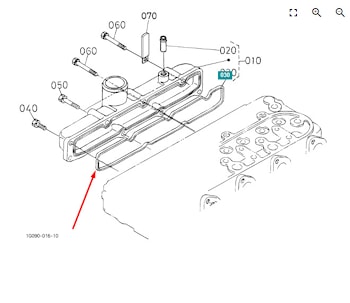
- Клапанная крышка
- Коленвал
- Распредвал
- Поршня, кольца и шатуны
- ТНВД
- Управление подачей топлива
- Форсунки
- Генератор
- Стартер
| 01023-50610 | 15881-93030 | 69741-72810 | RD451-73750 | RG518-46960 | RG648-41520 | | 01023-50616 | 15881-93040 | 69741-72820 | RD451-73780 | RG518-46970 | RG648-41550 | | 01023-50618 | 16082-53610 | 69741-72830 | RD458-97650 | RG518-46990 | RG648-41560 | | 01023-50620 | 16082-53903 | 69741-72850 | RD458-97830 | RG518-47000 | RG648-42110 | | 01023-50645 | 16221-73270 | 69741-72870 | RD458-97840 | RG518-47010 | RG648-42120 | | 01023-60650 | 16241-64900 | 69741-92240 | RD809-53730 | RG518-47030 | RG648-42130 | | 01025-50616 | 16241-73360 | 69745-73410 | RD809-53750 | RG518-47040 | RG648-42200 | | 01025-50620 | 16241-73370 | 69745-73420 | RD809-53762 | RG518-47050 | RG648-42220 | | 01025-50630 | 16241-96020 | 69745-73440 | RD809-69510 | RG518-47060 | RG648-42230 | | 01053-50612 | 16271-96160 | 69745-73460 | RD809-69520 | RG518-47090 | RG648-42280 | | 01123-50816 | 16285-63570 | 69745-73470 | RD809-70920 | RG518-47100 | RG648-42330 | | 01123-50818 | 16407-04620 | 69745-73490 | RD819-51260 | RG518-47110 | RG648-42410 | | 01123-50820 | 16414-52090 | 69745-73540 | RD819-51270 | RG518-47170 | RG648-42420 | | 01123-50822 | 16414-52110 | 69745-73580 | RD819-51280 | RG518-47190 | RG648-42440 | | 01123-50825 | 16414-52120 | 69748-62250 | RD819-53110 | RG518-47200 | RG648-42450 | | 01123-50828 | 16415-01752 | 69749-46820 | RD819-97510 | RG518-47210 | RG648-42580 | | 01123-50835 | 16415-13612 | 69749-47270 | RG008-21512 | RG518-47220 | RG648-42660 | | 01123-50840 | 16415-13620 | 69749-47330 | RG008-21520 | RG518-47230 | RG648-42710 | | 01123-50865 | 16415-51150 | 69749-80410 | RG008-21530 | RG518-47240 | RG648-42720 | | 01123-60814 | 16427-64110 | 69759-47100 | RG008-21540 | RG518-47250 | RG648-42730 | | 01123-60816 | 16429-92010 | 69759-47110 | RG008-21550 | RG518-47280 | RG648-42740 | | 01125-50816 | 16467-42502 | 69759-47150 | RG008-21560 | RG518-47290 | RG648-42810 | | 01125-50825 | 16652-64310 | 69761-66790 | RG008-21570 | RG518-47300 | RG648-42820 | | 01125-51018 | 16652-64780 | 69778-96710 | RG008-21580 | RG518-47310 | RG648-42830 | | 01125-60816 | 16661-12370 | 69781-71920 | RG008-21590 | RG518-47330 | RG648-42840 | | 01125-60820 | 16661-73050 | 69788-68410 | RG008-51980 | RG518-47340 | RG648-42850 | | 01127-50830 | 16661-73550 | 69788-68420 | RG008-51990 | RG518-47350 | RG648-42860 | | 01133-51016 | 16691-57980 | 69788-68430 | RG008-57190 | RG518-47360 | RG648-42870 | | 01133-51020 | 16691-73260 | 69791-72220 | RG008-57412 | RG518-47370 | RG648-42880 | | 01133-51025 | 16851-96270 | 6C040-58580 | RG039-21100 | RG518-47380 | RG648-42940 | | 01133-51030 | 17214-72020 | 90038-11120 | RG039-35110 | RG518-47390 | RG648-42950 | | 01133-51035 | 17311-22014 | 90407-11210 | RG039-35120 | RG518-47400 | RG648-42960 | | 01133-51040 | 17311-22312 | HH1C0-32430 | RG039-36100 | RG518-47410 | RG648-43110 | | 01133-51045 | 17311-22970 | K6073-64990 | RG039-36110 | RG518-47420 | RG648-43180 | | 01133-51090 | 17311-22980 | K7561-33120 | RG039-36120 | RG518-47440 | RG648-43230 | | 01133-51220 | 17331-21982 | PL503-68590 | RG039-36130 | RG518-47450 | RG648-43240 | | 01133-51225 | 17331-32880 | R1401-94010 | RG039-66820 | RG518-47460 | RG648-43280 | | 01133-51235 | 17331-32900 | R1401-94220 | RG039-66830 | RG518-47470 | RG648-43470 | | 01133-51255 | 17331-32910 | R2491-57360 | RG039-66840 | RG518-47480 | RG648-43500 | | 01135-51025 | 17331-73342 | R2491-57960 | RG039-66850 | RG518-47510 | RG648-43610 | | 01135-51030 | 17333-91013 | R2491-93420 | RG039-91020 | RG518-47600 | RG648-43850 | | 01135-51045 | 17341-63200 | R2499-46220 | RG039-91030 | RG518-47620 | RG648-43890 | | 01135-51225 | 17369-64040 | R2499-46350 | RG108-41290 | RG518-47630 | RG648-43970 | | 01135-61020 | 17369-64770 | R2499-46460 | RG108-46530 | RG518-47640 | RG648-44110 | | 01135-61025 | 17369-67570 | R2499-46740 | RG108-46670 | RG518-47650 | RG648-44120 | | 01138-51440 | 17381-63380 | R2499-46860 | RG108-53250 | RG518-48900 | RG648-44130 | | 01153-50812 | 17391-96160 | R2499-47120 | RG108-61240 | RG518-48910 | RG648-44140 | | 01153-50865 | 17454-42360 | R2499-47330 | RG108-61310 | RG518-48950 | RG648-44150 | | 01153-51450 | 17456-36420 | R2499-47550 | RG108-61322 | RG518-48990 | RG648-44160 | | 01155-60835 | 17490-74252 | R2499-48380 | RG108-61342 | RG518-49110 | RG648-44180 | | 01173-51030 | 19013-03450 | R2499-48750 | RG108-61390 | RG518-49120 | RG648-44190 | | 01173-51055 | 19077-53650 | RA111-38180 | RG108-63970 | RG518-49130 | RG648-44260 | | 01173-51200 | 19077-53714 | RA111-43690 | RG108-66820 | RG518-49140 | RG648-44270 | | 01173-51202 | 19077-53723 | RB237-44780 | RG108-86443 | RG518-49150 | RG648-44280 | | 01173-51220 | 19077-53733 | RB237-53410 | RG108-89180 | RG518-49510 | RG648-44290 | | 01173-51270 | 19077-65512 | RB237-53430 | RG109-57960 | RG518-49520 | RG648-44360 | | 01173-51280 | 19077-74110 | RB237-65750 | RG135-82100 | RG518-49530 | RG648-44500 | | 01173-51285 | 19202-04140 | RB237-65760 | RG135-82110 | RG518-49540 | RG648-44560 | | 01173-51290 | 19202-04460 | RB238-65950 | RG138-41910 | RG518-49550 | RG648-44570 | | 01173-61204 | 19202-23250 | RB411-63760 | RG138-43920 | RG518-49560 | RG648-44810 | | 01175-51260 | 19202-23280 | RB441-65280 | RG138-43930 | RG518-49570 | RG648-44820 | | 01176-51230 | 19202-96760 | RB441-65690 | RG138-43950 | RG518-49620 | RG648-44850 | | 01176-51448 | 19202-96830 | RB441-65780 | RG138-45320 | RG518-51110 | RG648-44860 | | 01176-51450 | 19212-63100 | RB511-21710 | RG138-46380 | RG518-51120 | RG648-45260 | | 01176-51490 | 19212-97130 | RB511-21754 | RG138-46450 | RG518-51130 | RG648-45270 | | 01176-61025 | 19403-12312 | RB511-21770 | RG138-46760 | RG518-51140 | RG648-45310 | | 01176-61645 | 1A021-05430 | RB511-21780 | RG138-46830 | RG518-51170 | RG648-46000 | | 01202-50616 | 1A021-11720 | RB517-21704 | RG138-57170 | RG518-51190 | RG648-46760 | | 01205-50612 | 1A021-11822 | RC101-65760 | RG138-57330 | RG518-51250 | RG648-46800 | | 01222-50625 | 1A021-12350 | RC101-65790 | RG138-57420 | RG518-51290 | RG648-46850 | | 01311-10616 | 1A021-14260 | RC101-70680 | RG138-57910 | RG518-51320 | RG648-46870 | | 01311-10630 | 1A021-14523 | RC101-72630 | RG138-65430 | RG518-51340 | RG648-46880 | | 01311-10660 | 1A021-21310 | RC101-72840 | RG138-93380 | RG518-51510 | RG648-46920 | | 01311-10855 | 1A021-23192 | RC147-53330 | RG138-95570 | RG518-51520 | RG648-46950 | | 01311-11225 | 1A021-24110 | RC301-21730 | RG138-95580 | RG518-51530 | RG648-46980 | | 01311-11230 | 1A021-24254 | RC301-21860 | RG158-42970 | RG518-51540 | RG648-47070 | | 01311-11235 | 1A021-24982 | RC301-72244 | RG158-42980 | RG518-57390 | RG648-47130 | | 01350-10512 | 1A021-32290 | RC301-72280 | RG158-42990 | RG518-57430 | RG648-47140 | | 01350-10518 | 1A021-35150 | RC411-17103 | RG158-57210 | RG518-57760 | RG648-47500 | | 01517-51050 | 1A021-51660 | RC411-17110 | RG158-57220 | RG518-62130 | RG648-47610 | | 01517-61025 | 1A021-54120 | RC411-17133 | RG158-57230 | RG518-62150 | RG648-48110 | | 01518-50822 | 1A021-54350 | RC411-17142 | RG158-57240 | RG518-62200 | RG648-48130 | | 01574-51250 | 1A021-56020 | RC411-17170 | RG158-57260 | RG518-62210 | RG648-48320 | | 01754-50610 | 1A021-56133 | RC411-17190 | RG158-57270 | RG518-62220 | RG648-48710 | | 01754-50618 | 1A021-56422 | RC411-17202 | RG158-57850 | RG518-62330 | RG648-48730 | | 01754-50635 | 1A021-56602 | RC411-17210 | RG158-57890 | RG518-62340 | RG648-48740 | | 01754-50660 | 1A021-57212 | RC411-21320 | RG158-62660 | RG518-62350 | RG648-48770 | | 01754-50665 | 1A021-57260 | RC411-21330 | RG201-21550 | RG518-62360 | RG648-48780 | | 01754-50812 | 1A021-57920 | RC411-21343 | RG201-21790 | RG518-62370 | RG648-48850 | | 01754-50820 | 1A021-60016 | RC411-21360 | RG201-41380 | RG518-62380 | RG648-48910 | | 01754-50830 | 1A021-72920 | RC411-21370 | RG201-46910 | RG518-62390 | RG648-49160 | | 01754-50850 | 1A021-73012 | RC411-21390 | RG201-53360 | RG518-62400 | RG648-49640 | | 01754-50855 | 1A021-73332 | RC411-21832 | RG201-54340 | RG518-62612 | RG648-49660 | | 01754-50875 | 1A021-73340 | RC411-41190 | RG201-57432 | RG518-62632 | RG648-49690 | | 01754-50885 | 1A021-73510 | RC411-42140 | RG201-72520 | RG518-62640 | RG648-51440 | | 01754-51070 | 1A021-73520 | RC411-42310 | RG201-73160 | RG518-62650 | RG648-51450 | | 01774-61020 | 1A021-91020 | RC411-42322 | RG201-73180 | RG518-63850 | RG648-57150 | | 02014-50060 | 1A021-91030 | RC411-42390 | RG201-73190 | RG518-65540 | RG648-57240 | | 02052-50080 | 1A021-96020 | RC411-42510 | RG201-73200 | RG518-66030 | RG648-57450 | | 02056-50060 | 1A041-07095 | RC411-42540 | RG201-73480 | RG518-66040 | RG648-61160 | | 02112-50080 | 1A041-16010 | RC411-42900 | RG208-53540 | RG518-66110 | RG648-61290 | | 02114-50080 | 1A041-16024 | RC411-42933 | RG208-57470 | RG518-66120 | RG648-61560 | | 02114-50100 | 1A051-73430 | RC411-43260 | RG208-57660 | RG518-66130 | RG648-61840 | | 02114-50120 | 1A053-01503 | RC411-43370 | RG208-57670 | RG518-66140 | RG648-61850 | | 02116-50100 | 1A053-05510 | RC411-43383 | RG208-61890 | RG518-66150 | RG648-61870 | | 02118-50100 | 1A053-11760 | RC411-43544 | RG208-62130 | RG518-66230 | RG648-61880 | | 02156-50080 | 1A053-14505 | RC411-43550 | RG208-63180 | RG518-66280 | RG648-61890 | | 02174-50120 | 1A053-33080 | RC411-43580 | RG208-63830 | RG518-66320 | RG648-61960 | | 02176-50140 | 1A053-36414 | RC411-43600 | RG208-70930 | RG518-66330 | RG648-62110 | | 02552-50060 | 1A053-51650 | RC411-43983 | RG208-73490 | RG518-66360 | RG648-62140 | | 02552-50080 | 1A053-57005 | RC411-44270 | RG208-73530 | RG518-66390 | RG648-62150 | | 02572-50100 | 1A053-57150 | RC411-44720 | RG208-73550 | RG518-66450 | RG648-62160 | | 02572-50120 | 1A053-57482 | RC411-44730 | RG208-86020 | RG518-66460 | RG648-62170 | | 02751-50060 | 1A053-72832 | RC411-44770 | RG208-86090 | RG518-66540 | RG648-62180 | | 02751-50080 | 1A053-72840 | RC411-47050 | RG208-86110 | RG518-66580 | RG648-62190 | | 02761-50040 | 1A085-72704 | RC411-48412 | RG208-86160 | RG518-66620 | RG648-62210 | | 03004-50616 | 1A091-04362 | RC411-48430 | RG208-86170 | RG518-66630 | RG648-62220 | | 03004-50616 | 1A091-04540 | RC411-48642 | RG208-86180 | RG518-66640 | RG648-62230 | | 03004-50620 | 1A091-04820 | RC411-48650 | RG208-86230 | RG518-66660 | RG648-62240 | | 03024-50512 | 1A091-05580 | RC411-48933 | RG208-86250 | RG518-66680 | RG648-62250 | | 03024-50520 | 1A091-07045 | RC411-53070 | RG208-86400 | RG518-66710 | RG648-62260 | | 03024-60412 | 1A091-07055 | RC411-53080 | RG208-86760 | RG518-66720 | RG648-62270 | | 03054-50406 | 1A091-15110 | RC411-53090 | RG208-86770 | RG518-66730 | RG648-62280 | | 03054-50510 | 1A091-16320 | RC411-53130 | RG208-86790 | RG518-66750 | RG648-62310 | | 03056-50520 | 1A091-16513 | RC411-53140 | RG208-92090 | RG518-66770 | RG648-62320 | | 03614-50408 | 1A091-21050 | RC411-53170 | RG238-21530 | RG518-67104 | RG648-62350 | | 03650-50816 | 1A091-21090 | RC411-53180 | RG238-41140 | RG518-67440 | RG648-62360 | | 04011-50100 | 1A091-23472 | RC411-53190 | RG238-62190 | RG518-67460 | RG648-62600 | | 04011-50140 | 1A091-23482 | RC411-53200 | RG238-63950 | RG518-67510 | RG648-62620 | | 04011-50180 | 1A091-23532 | RC411-53223 | RG238-92750 | RG518-67580 | RG648-62880 | | 04011-60160 | 1A091-23542 | RC411-53232 | RG246-38160 | RG518-67590 | RG648-62890 | | 04012-50080 | 1A091-23910 | RC411-53260 | RG246-44540 | RG518-67630 | RG648-63160 | | 04013-50060 | 1A091-23920 | RC411-53270 | RG246-48120 | RG518-67640 | RG648-63210 | | 04013-50080 | 1A091-23930 | RC411-53290 | RG248-43720 | RG518-67650 | RG648-63220 | | 04013-60040 | 1A091-23940 | RC411-53473 | RG248-44370 | RG518-67660 | RG648-63230 | | 04013-60060 | 1A091-23950 | RC411-53642 | RG248-49242 | RG518-67850 | RG648-63240 | | 04013-60100 | 1A091-23960 | RC411-53680 | RG248-51490 | RG518-68510 | RG648-63250 | | 04013-60140 | 1A091-23970 | RC411-53980 | RG248-57440 | RG518-68520 | RG648-63270 | | 04015-50080 | 1A091-23980 | RC411-57220 | RG248-57570 | RG518-68550 | RG648-63280 | | 04015-60060 | 1C010-13560 | RC411-63800 | RG248-63130 | RG518-68570 | RG648-63410 | | 04015-60080 | 1E090-64420 | RC411-64050 | RG248-63860 | RG518-68620 | RG648-63420 | | 04015-60100 | 1G065-42360 | RC411-64980 | RG249-66810 | RG518-74440 | RG648-63430 | | 04512-60060 | 1G279-21330 | RC411-65920 | RG249-91000 | RG518-80753 | RG648-63440 | | 04512-60080 | 1G311-43250 | RC411-67550 | RG249-91010 | RG518-86010 | RG648-63450 | | 04512-60100 | 1G311-43340 | RC411-72213 | RG249-97510 | RG518-86100 | RG648-63460 | | 04512-60120 | 1G311-43570 | RC411-72660 | RG308-57020 | RG518-86110 | RG648-63470 | | 04512-60140 | 1G311-43930 | RC411-73210 | RG408-74440 | RG518-86780 | RG648-63480 | | 04512-60200 | 1G311-87460 | RC411-73220 | RG501-66620 | RG518-86800 | RG648-63490 | | 04611-00120 | 1G492-16220 | RC411-73270 | RG508-38010 | RG518-92970 | RG648-63510 | | 04611-00370 | 1G513-36550 | RC411-73324 | RG508-38030 | RG518-95100 | RG648-63520 | | 04611-00420 | 1G600-56410 | RC411-73423 | RG508-38040 | RG518-95210 | RG648-63560 | | 04612-00220 | 1G600-99350 | RC411-73510 | RG508-38050 | RG518-95240 | RG648-63580 | | 04612-00250 | 1G701-04130 | RC411-73520 | RG508-38060 | RG518-95250 | RG648-63610 | | 04612-00400 | 1G711-03040 | RC411-73550 | RG508-38070 | RG518-95270 | RG648-63620 | | 04613-50050 | 1G723-51012 | RC411-97630 | RG508-38090 | RG518-95503 | RG648-63630 | | 04717-01000 | 1G730-37090 | RC411-97670 | RG508-38110 | RG519-63310 | RG648-63640 | | 04724-00140 | 1G730-73032 | RC411-97690 | RG508-38230 | RG519-63320 | RG648-63650 | | 04810-00110 | 1G730-73410 | RC411-97810 | RG508-38400 | RG519-63340 | RG648-63660 | | 04811-00120 | 1G742-05120 | RC417-21904 | RG508-46020 | RG519-63350 | RG648-63810 | | 04811-00160 | 1G742-65560 | RC417-43722 | RG508-46040 | RG519-63760 | RG648-63820 | | 04811-10220 | 1G750-03312 | RC417-43962 | RG508-46050 | RG519-63770 | RG648-63830 | | 04811-10300 | 1G750-03602 | RC417-48882 | RG508-46130 | RG519-63780 | RG648-63840 | | 04811-10440 | 1G750-03612 | RC417-48890 | RG508-46140 | RG519-64150 | RG648-63850 | | 04811-11300 | 1G750-03622 | RC417-49170 | RG508-46180 | RG519-64160 | RG648-63880 | | 04811-51100 | 1G750-03632 | RC417-49610 | RG508-46390 | RG519-64620 | RG648-64110 | | 04811-51300 | 1G790-87210 | RC417-53360 | RG508-46520 | RG519-66800 | RG648-64120 | | 04811-51450 | 1G791-24012 | RC417-97810 | RG508-46670 | RG519-92480 | RG648-64210 | | 04814-00060 | 1G813-21110 | RC417-97840 | RG508-47170 | RG519-95130 | RG648-64220 | | 04814-00160 | 1G813-21772 | RC417-97850 | RG508-47220 | RG526-65820 | RG648-64310 | | 04814-06230 | 1G813-21782 | RC417-97890 | RG508-47230 | RG528-41240 | RG648-64320 | | 04814-06310 | 1G813-21900 | RC418-53450 | RG508-47260 | RG528-41310 | RG648-64410 | | 04816-50250 | 1G826-92032 | RC441-22240 | RG508-47280 | RG528-42640 | RG648-64420 | | 04816-50300 | 1G840-23016 | RC441-22250 | RG508-47310 | RG528-43100 | RG648-64430 | | 04817-00030 | 1G841-16190 | RC441-22290 | RG508-47340 | RG528-43120 | RG648-64440 | | 04817-00060 | 1G841-91010 | RC441-42700 | RG508-63740 | RG528-43130 | RG648-64460 | | 04817-00080 | 1G848-74280 | RC441-42800 | RG508-63760 | RG528-43140 | RG648-64480 | | 04817-00110 | 1G850-32110 | RC441-51140 | RG508-63770 | RG528-43150 | RG648-64510 | | 04817-00120 | 1G851-04813 | RC441-51173 | RG508-71910 | RG528-43160 | RG648-64520 | | 04817-00140 | 1G860-54160 | RC441-53330 | RG509-38010 | RG528-43170 | RG648-64530 | | 04817-00150 | 1G861-97300 | RC441-53540 | RG509-38040 | RG528-43190 | RG648-64610 | | 04817-00160 | 1G866-52200 | RC441-53633 | RG509-38060 | RG528-43490 | RG648-64710 | | 04817-00180 | 1G896-04140 | RC441-54140 | RG511-21400 | RG528-43760 | RG648-64720 | | 04817-00200 | 1G896-13240 | RC441-54150 | RG511-21420 | RG528-48720 | RG648-64910 | | 04817-00220 | 1G896-13580 | RC441-54230 | RG511-21430 | RG528-48750 | RG648-64920 | | 04817-00240 | 1G896-33610 | RC441-66140 | RG511-21440 | RG528-48760 | RG648-64940 | | 04817-08500 | 1G896-35660 | RC441-72290 | RG511-21450 | RG528-49410 | RG648-64990 | | 05012-00408 | 1G896-42410 | RC441-73330 | RG511-41270 | RG528-49420 | RG648-65100 | | 05012-00410 | 1G896-51320 | RC441-73530 | RG511-41280 | RG528-49430 | RG648-65170 | | 05012-00609 | 1G896-55450 | RC441-73710 | RG511-41290 | RG528-49880 | RG648-65200 | | 05012-00612 | 1G896-55690 | RC441-92200 | RG511-41320 | RG528-49920 | RG648-65250 | | 05012-00814 | 1G896-96650 | RC441-93250 | RG511-41330 | RG528-51450 | RG648-65400 | | 05012-00818 | 1G897-13110 | RC441-93260 | RG511-41360 | RG528-51470 | RG648-65450 | | 05012-01018 | 1G897-13120 | RC441-93270 | RG511-41370 | RG528-51480 | RG648-65490 | | 05122-50855 | 1G911-54100 | RC447-48872 | RG511-41590 | RG528-51490 | RG648-65500 | | 05122-61020 | 1G911-54270 | RC448-44410 | RG511-42340 | RG528-51520 | RG648-65520 | | 05411-00414 | 1G911-56150 | RC448-47030 | RG511-42550 | RG528-57570 | RG648-65560 | | 05411-00420 | 1G911-91022 | RC448-53160 | RG511-42560 | RG528-57860 | RG648-65600 | | 05411-00528 | 1G911-92010 | RC448-66580 | RG511-42570 | RG528-57970 | RG648-65700 | | 05411-00630 | 1G916-25160 | RC448-66592 | RG511-42630 | RG528-62860 | RG648-65850 | | 05411-01080 | 1G916-63820 | RC448-97650 | RG511-42740 | RG528-62873 | RG648-66020 | | 05511-50215 | 1G922-32600 | RC448-97820 | RG511-42750 | RG528-66070 | RG648-66060 | | 05511-50425 | 1G922-37010 | RC461-42150 | RG511-42760 | RG528-66080 | RG648-66160 | | 05511-50540 | 1G922-37080 | RC461-43650 | RG511-42770 | RG528-66090 | RG648-66410 | | 05511-51612 | 1G922-37150 | RC461-49640 | RG511-42780 | RG528-93110 | RG648-67400 | | 05525-50800 | 1G922-37160 | RC461-53240 | RG511-42790 | RG529-60300 | RG648-67500 | | 05525-51400 | 1J416-74150 | RC461-53940 | RG511-42810 | RG529-60310 | RG648-67510 | | 05525-51600 | 1J700-22140 | RC461-53962 | RG511-42820 | RG529-60320 | RG648-67520 | | 05525-60500 | 1J818-57700 | RC461-93154 | RG511-42830 | RG529-60330 | RG648-67560 | | 05525-61000 | 1J818-57710 | RC461-93212 | RG511-43270 | RG529-60400 | RG648-67580 | | 05712-00410 | 1J818-57720 | RC467-21300 | RG511-43290 | RG529-60500 | RG648-67590 | | 05712-00525 | 1J818-96940 | RC467-43492 | RG511-43430 | RG529-60600 | RG648-67600 | | 05712-00720 | 1J832-01010 | RC467-53490 | RG511-43790 | RG529-60800 | RG648-67610 | | 05712-00730 | 1J832-04020 | RC467-54110 | RG511-43810 | RG529-61200 | RG648-67620 | | 06312-10040 | 1J832-25010 | RC467-61372 | RG511-44170 | RG529-97500 | RG648-67800 | | 06331-45010 | 1J832-56050 | RC467-69532 | RG511-48350 | RG529-97600 | RG648-67810 | | 06611-15010 | 1J832-99362 | RC511-73106 | RG511-48360 | RG529-97700 | RG648-67820 | | 06616-25010 | 1J854-24370 | RC541-22100 | RG511-48920 | RG529-97800 | RG648-67830 | | 06616-35010 | 1J860-51750 | RC567-61700 | RG511-48940 | RG538-41560 | RG648-67850 | | 07715-00401 | 1K531-64602 | RC577-53410 | RG511-51260 | RG538-41570 | RG648-68320 | | 07715-00403 | 31355-82940 | RC577-61710 | RG511-51280 | RG538-42360 | RG648-71330 | | 07715-03205 | 33251-83890 | RC577-61720 | RG511-51310 | RG538-42440 | RG648-73110 | | 07715-03213 | 33860-31630 | RC577-63150 | RG511-53250 | RG538-42460 | RG648-73120 | | 08101-06006 | 34076-66250 | RC577-96710 | RG511-53580 | RG538-42470 | RG648-73130 | | 08101-06203 | 36760-90390 | RC577-96720 | RG511-53610 | RG538-42650 | RG648-73140 | | 08101-06308 | 37150-34460 | RC577-96770 | RG511-61810 | RG538-43330 | RG648-73150 | | 08511-01008 | 38240-29870 | RC601-17120 | RG511-61820 | RG538-43360 | RG648-73160 | | 08511-01215 | 38430-25540 | RC601-21940 | RG511-61830 | RG538-43370 | RG648-73170 | | 08511-01410 | 3G704-17390 | RC601-21960 | RG511-62240 | RG538-43400 | RG648-73180 | | 08511-01415 | 3G710-75900 | RC611-48663 | RG511-63170 | RG538-43410 | RG648-73190 | | 08511-01610 | 3G710-75910 | RC661-44760 | RG511-63870 | RG538-43452 | RG648-73200 | | 08511-01615 | 3G900-17330 | RC708-44632 | RG511-64470 | RG538-43480 | RG648-73210 | | 08511-01620 | 44312-23460 | RC717-53230 | RG511-65320 | RG538-43560 | RG648-74410 | | 08511-02020 | 48100-15840 | RC761-72300 | RG511-65330 | RG538-43570 | RG648-75100 | | 09318-88150 | 48100-51540 | RC767-21920 | RG511-65370 | RG538-43610 | RG648-75210 | | 09318-88180 | 52200-26750 | RC767-21950 | RG511-65380 | RG538-43620 | RG648-77400 | | 09661-40070 | 52300-75170 | RC777-43310 | RG511-65390 | RG538-43640 | RG648-77410 | | 09661-40170 | 52300-75190 | RC777-43910 | RG511-65480 | RG538-43650 | RG648-77420 | | 09664-40340 | 53511-27170 | RC777-43950 | RG511-66370 | RG538-43780 | RG648-77430 | | 09664-41400 | 55611-44210 | RC777-43970 | RG511-66380 | RG538-43830 | RG648-77440 | | 09664-80040 | 58700-11070 | RC777-49650 | RG511-66440 | RG538-43840 | RG648-77450 | | 09664-80190 | 5H215-53312 | RC777-61110 | RG511-66470 | RG538-44420 | RG648-77460 | | 09664-80220 | 66711-54420 | RC777-61130 | RG511-66480 | RG538-46210 | RG648-77700 | | 09664-80400 | 68011-32680 | RC777-62120 | RG511-66570 | RG538-46260 | RG648-77710 | | 09664-80460 | 68021-32790 | RC777-62130 | RG511-66590 | RG538-46350 | RG648-77720 | | 09664-81250 | 68021-81380 | RC777-62140 | RG511-66870 | RG538-46810 | RG648-77730 | | 09664-81750 | 68131-67730 | RC777-65910 | RG511-66880 | RG538-46840 | RG648-77740 | | 11173-63130 | 68191-70930 | RC777-69100 | RG511-66890 | RG538-46930 | RG648-77750 | | 11197-63070 | 68191-97160 | RC777-69240 | RG511-66900 | RG538-47010 | RG648-77760 | | 11197-63080 | 68221-14630 | RC777-69310 | RG511-66910 | RG538-47020 | RG648-80750 | | 11197-63320 | 68221-34320 | RC777-69320 | RG511-66970 | RG538-47030 | RG648-81330 | | 11460-63110 | 68271-42390 | RC777-69330 | RG511-66980 | RG538-47050 | RG648-81340 | | 11460-63120 | 68271-42530 | RC777-69360 | RG515-96090 | RG538-47060 | RG648-81350 | | 11460-63270 | 68311-53540 | RC777-69440 | RG515-96230 | RG538-47090 | RG648-81390 | | 11460-63500 | 68351-22190 | RC777-69500 | RG516-53190 | RG538-47100 | RG648-81410 | | 11460-63530 | 68391-68220 | RC777-70010 | RG516-57120 | RG538-47110 | RG648-81420 | | 11460-93310 | 68493-70240 | RC777-70020 | RG516-61770 | RG538-47120 | RG648-81430 | | 12271-93020 | 68493-70270 | RC777-70030 | RG516-67380 | RG538-47130 | RG648-81440 | | 13811-33140 | 68493-71450 | RC777-70040 | RG518-19140 | RG538-47140 | RG648-81450 | | 13824-67580 | 68493-71590 | RC777-70050 | RG518-21570 | RG538-47150 | RG648-81460 | | 13963-92010 | 68499-85870 | RC777-70060 | RG518-38000 | RG538-47160 | RG648-81470 | | 14182-92030 | 68499-85890 | RC777-70070 | RG518-38180 | RG538-47170 | RG648-81480 | | 14971-42750 | 68499-85920 | RC777-70100 | RG518-38410 | RG538-47190 | RG648-81490 | | 15021-14240 | 68551-61420 | RC777-70110 | RG518-38420 | RG538-47200 | RG648-81510 | | 15021-33660 | 68591-68190 | RC777-70140 | RG518-38430 | RG538-48270 | RG648-81520 | | 15221-01750 | 68651-72380 | RC777-70150 | RG518-38500 | RG538-48970 | RG648-81530 | | 15221-03370 | 68651-72450 | RC777-70230 | RG518-41120 | RG538-49440 | RG648-81540 | | 15221-03380 | 68701-66570 | RC777-70260 | RG518-42520 | RG538-49470 | RG648-81550 | | 15221-03390 | 68701-71780 | RC777-70280 | RG518-42580 | RG538-49480 | RG648-81560 | | 15221-03490 | 68701-71790 | RC777-70290 | RG518-43460 | RG538-49680 | RG648-81570 | | 15221-13153 | 68701-71820 | RC777-70310 | RG518-44290 | RG538-49690 | RG648-81580 | | 15221-13280 | 68761-66850 | RC777-70360 | RG518-46020 | RG538-49810 | RG648-81590 | | 15221-13330 | 68861-70120 | RC777-70570 | RG518-46030 | RG538-49840 | RG648-81610 | | 15221-13980 | 69110-22230 | RC777-70810 | RG518-46040 | RG538-49870 | RG648-81620 | | 15221-14310 | 69409-57250 | RC777-70820 | RG518-46050 | RG538-49890 | RG648-81630 | | 15221-14353 | 69441-65360 | RC777-70830 | RG518-46060 | RG538-57450 | RG648-81640 | | 15221-14430 | 69441-65430 | RC777-70840 | RG518-46070 | RG538-57540 | RG648-92310 | | 15221-16270 | 69441-66620 | RC777-70850 | RG518-46080 | RG538-57870 | RG648-92320 | | 15221-23360 | 69441-66770 | RC777-97520 | RG518-46100 | RG538-57930 | RG648-92610 | | 15221-33650 | 69441-66920 | RD101-69560 | RG518-46110 | RG538-61320 | RG648-96310 | | 15221-35682 | 69441-67450 | RD118-69200 | RG518-46130 | RG538-63720 | RG701-67690 | | 15221-43170 | 69441-68380 | RD118-69220 | RG518-46130 | RG538-64550 | RG708-63750 | | 15221-55470 | 69443-47120 | RD118-69260 | RG518-46140 | RG538-66830 | RG711-66970 | | 15221-55740 | 69443-47570 | RD118-69273 | RG518-46160 | RG538-67610 | RG908-86440 | | 15221-56230 | 69443-80140 | RD118-69303 | RG518-46170 | RG538-67840 | RH538-43400 | | 15221-66410 | 69443-80580 | RD118-69340 | RG518-46180 | RG538-86810 | RH618-49710 | | 15221-88210 | 69443-80740 | RD118-69380 | RG518-46200 | RG611-63750 | RH618-49720 | | 15221-91530 | 69443-80760 | RD118-69392 | RG518-46210 | RG618-66490 | RH618-49740 | | 15225-16214 | 69443-80780 | RD118-69402 | RG518-46220 | RG618-66500 | RH618-49750 | | 15241-36950 | 69443-80800 | RD118-69430 | RG518-46240 | RG618-66603 | RH618-64570 | | 15241-67580 | 69449-46230 | RD118-70210 | RG518-46250 | RG618-66800 | RH638-42370 | | 15261-96010 | 69449-46240 | RD118-70330 | RG518-46260 | RG618-68810 | RH638-42910 | | 15321-73340 | 69449-46280 | RD118-70370 | RG518-46270 | RG618-93330 | RH638-42960 | | 15401-63390 | 69449-46290 | RD118-70380 | RG518-46280 | RG618-93360 | RH638-43840 | | 15451-94070 | 69449-46390 | RD118-70390 | RG518-46290 | RG618-95003 | RH638-44070 | | 15451-96670 | 69449-46490 | RD118-70430 | RG518-46300 | RG618-95260 | RH638-44250 | | 15471-23312 | 69449-46650 | RD118-70440 | RG518-46320 | RG619-63710 | RH638-44260 | | 15471-35013 | 69449-46660 | RD118-70450 | RG518-46330 | RG619-63720 | RH638-44280 | | 15471-91530 | 69449-46790 | RD118-70460 | RG518-46350 | RG619-63730 | RH638-44290 | | 15471-97010 | 69449-80110 | RD118-70470 | RG518-46370 | RG619-63740 | RH638-44300 | | 15501-72470 | 69449-80550 | RD118-70530 | RG518-46380 | RG619-64250 | RH638-63930 | | 15511-63760 | 69481-11160 | RD118-70550 | RG518-46390 | RG619-64260 | RH648-42590 | | 15511-96660 | 69481-11190 | RD118-70580 | RG518-46410 | RG619-64350 | RH648-42690 | | 15521-14230 | 69481-11990 | RD118-96782 | RG518-46420 | RG619-92480 | RH648-44240 | | 15521-36930 | 69481-15180 | RD118-97590 | RG518-46430 | RG629-61200 | RH648-65520 | | 15521-73320 | 69481-41260 | RD118-97710 | RG518-46440 | RG638-22310 | RH829-95560 | | 15521-96020 | 69481-46400 | RD119-44710 | RG518-46450 | RG638-57470 | RP401-79090 | | 15521-96030 | 69481-46790 | RD138-21380 | RG518-46470 | RG638-57480 | RP402-70620 | | 15531-72422 | 69481-53310 | RD138-69700 | RG518-46490 | RG638-67540 | RP421-54130 | | 15531-72432 | 69481-62210 | RD148-21960 | RG518-46500 | RG638-67550 | RP801-79080 | | 15601-04560 | 69481-66920 | RD201-63820 | RG518-46510 | RG648-14430 | RP821-42310 | | 15601-15553 | 69481-66930 | RD201-69210 | RG518-46520 | RG648-19110 | T0070-16420 | | 15601-92012 | 69481-67720 | RD401-21930 | RG518-46530 | RG648-21110 | T1060-30370 | | 15601-96650 | 69481-71390 | RD411-43542 | RG518-46540 | RG648-21150 | T1060-32270 | | 15621-14030 | 69481-81110 | RD411-51353 | RG518-46550 | RG648-21170 | T1060-33710 | | 15707-33750 | 69481-86610 | RD411-54140 | RG518-46580 | RG648-21180 | T1060-33720 | | 15748-60570 | 69491-46110 | RD411-61880 | RG518-46590 | RG648-21190 | T1062-32282 | | 15841-14620 | 69491-46120 | RD411-61910 | RG518-46600 | RG648-21500 | T1062-46140 | | 15841-51360 | 69491-46130 | RD411-61920 | RG518-46610 | RG648-21510 | T1063-65660 | | 15841-53622 | 69508-66620 | RD411-69210 | RG518-46620 | RG648-21600 | T1065-15610 | | 15841-53850 | 69721-96460 | RD411-69232 | RG518-46630 | RG648-21610 | T1065-15620 | | 15841-53860 | 69728-62170 | RD411-69250 | RG518-46640 | RG648-21810 | T1065-15630 | | 15841-94040 | 69728-62180 | RD411-69350 | RG518-46650 | RG648-21820 | T1065-15660 | | 15841-96020 | 69729-46350 | RD411-70280 | RG518-46660 | RG648-38120 | T1065-15682 | | 15881-64090 | 69729-47340 | RD431-69280 | RG518-46670 | RG648-38150 | T1150-30500 | | 15881-64150 | 69729-47510 | RD431-69430 | RG518-46700 | RG648-38190 | T1850-39010 | | 15881-64260 | 69729-47660 | RD431-69440 | RG518-46710 | RG648-41060 | W9242-95020 | | 15881-64330 | 69729-47930 | RD431-69450 | RG518-46720 | RG648-41070 | W9242-95040 | | 15881-64710 | 69729-47940 | RD431-69600 | RG518-46730 | RG648-41110 | W9252-97530 | | 15881-64800 | 69729-47950 | RD431-69802 | RG518-46740 | RG648-41150 | W9252-97540 | | 15881-91040 | 69738-92340 | RD441-63160 | RG518-46750 | RG648-41210 | W9252-97550 | | 15881-91050 | 69738-92350 | RD451-19140 | RG518-46770 | RG648-41250 | W9252-97560 | | 15881-92010 | 69741-53512 | RD451-70320 | RG518-46810 | RG648-41270 | W9292-95260 | | 15881-92020 | 69741-57530 | RD451-73460 | RG518-46860 | RG648-41280 | W9292-95270 | | 15881-93010 | 69741-66110 | RD451-73562 | RG518-46890 | RG648-41360 | W9292-97590 | | 15881-93020 | 69741-71910 | RD451-73730 | RG518-46910 | RG648-41490 | |
Каталог запчастей Kubota KX101-3a3 / Kubota KX101-3a2, 3a3 parts manual
Производитель Kubota
Если хотите купить запчасти для Kubota KX101-3a / Kubota KX101-3a parts Вы можете:
Вкладыши коренные Kubota V3300, 1-ый ремонт (+0,2) METAL, CRANKSHAFT оригинальный номер 1c020-23912 замена 1C020-23910 применяемость KX080-3 (SN : 10000-19999) M100XDTC (Dual Traction, 4wd / Cab) M105S-CAB (2wd / Cabin) M105SDSL (Dual Speed, 4WD, ...
Вкладыши шатунные #16292-22310 для двигателя kubota D905, D1005, D1105, V1205, V1305, V1505 замена: 1629222310, 16292-22312, 16241-22310, 16241-22311 применяемость Bobcat pn 6657527 размер - ...
Вкладыши шатунные Kubota V3300, 1-ый ремонт (+0,2) METAL, CRANKPIN - METAL,CRANKPIN оригинальный номер 1C020-22963 замена 1C020-22962, 1C010-22960, 1C010-22980, ...
Водяной насос для Kubota V2203 / V2403 - номер 1G730-73032 замена для 1G730-73035, 1G730-73036 применяемость: D1503, D1703, V2203, ...
Втулка коленвала (задняя) V3307 #1J700-23280 применяемость: Kubota V3307, V2607 Kubota KX057-4, ...
Генератор для двигателей Kubota #1K571-64010 заменные номера: 17472-64010, 17472-64012, 1747264010, 1747264012, 17472-64014, 1747264014 применяемость: D905, D1005, D1105, V1505 Kubota: ASSY ...
Гидромотор поворота платформы / башни #RD118-61904 оригинальный номер: RD118-61904 замена: RD118-61700, RD11861700, RD118-61706, RD11861706, RD118-61707, RD11861707, RD1186-1708, RD11861708, RD118-61900, RD11861900, RD118-61904, RD11861904 ...
Головка блока цилиндров, ГБЦ #1E013-03045 номер: 1E013-03045, 1E013-03043, 1E013-03040, 1E01303045, 1E01303043, 1E01303040 применяемость: Kubota V2003, V2003T, Bobcat S160, S175, S185, T140, T190 ...
ГБЦ для двигателя Kubota D782 MPN ...
датчик давления масла #15841-39010 номер: 15841-39013, 1584139013, 15841-39010, 1584139010, 15231-39010, 15231-39013, 1523139010, 1523139013 применяемость: Kubota Oil pressure ...
Датчик массового расхода воздуха Kubota #1J520-10700 ✅ Артикул: 1J520-10700 ✅ Тип: Датчик MAF - Mass Air Flow Sensor ✅ Категория: Электроника двигателя - датчики ✅ Применение: Двигатели Kubota Tier 4 Описание: Датчик массового расхода воздуха ...
Перечень запчастей для мини экскаватора Kubota KX71-3 / Kubota KX71.3 Parts list Коленвал V1505 - 16282-23013 ; 16282-2301-3 Шатун V1505 - 16241-22012 ; 16241-2201-2 Поршень V1505 - 16060-21910 ; 16060-2191-0 Поршень +0.5mm V1505 - 16060-21110 ; ...
|